Mehruba Haque
- Faculty of Design
- Design and Technology Futures
- msc
- Personalising beauty: A postfeminist and sustainable skincare service
- Tutor(s): Ruth-Helene Melioranski
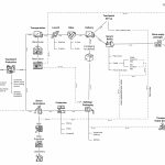
MAYA is a subscription-based system for personalised skincare. It eliminates the process of trial and error to find the right product, removing frustrations and wasteful practice. Machine-algorithm makes the product more efficient over time. The algorithm also understands the lifestyle of the consumer and displays a daily positive message when they are looking at themselves. The design is challenging because of the way society views women, MAYA promotes the acceptance of all types of appearances, builds confidence and encourages making a healthier and more realistic relationship with their bodies.
Additionally, the auto-replenishment function is intelligent to understand usage, delivery time, and environmental changes to ensure the recalibrated product is at the doorstep. The products come in refillable packaging to cut down on the traditional single-use plastic. It engages users to give more love to the planet by returning empty packages for reuse through a circular model of production and consumption.









